
CVS 4000
Vibration Sensor
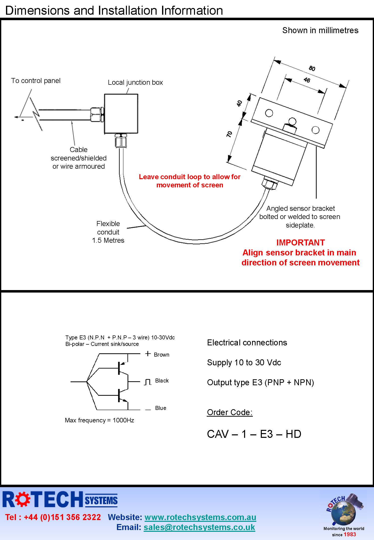
Comprising Product Code CAV-?-?-HD
Aluminium body
Pulsed output type E3 10-30 Volts DC
Totally sealed solid state operation
Monitoring Vibrating Screens For:
Slowdown
Stoppage
Breakage
Irregular Vibration
‘V’ Belts Damage
Used with CSR4000 series speed relays or PLC, gives an alarm
indication of screen problems, stops screen drive motor
and/or stops infeed conveyor.



